
型号含义 Modelim plication

适用范围 Applications
1.环境温度-25°至55°。
2.安装高度不超过海拔2000m。
3.强酸、强碱、盐、腐蚀、多水、多尘、潮湿等环境。
4.广泛用于石油、化工、仓库、食品、制药、军工等工厂企业。
1.Ambient temperature is-25°to 55°.
2.The height of installment can't over 2000 meters above sea level.
3.They can withstand the corrosion of strong acid, strong alkali,salt, and the environment of more water, more dust andhumidity.
4.They are widely used in the lines of petroleum, chemistry,warehouse, food, medicine, war industry and so on.
产品特点 Features
1.铝合金压铸成型,表面喷塑。
2.螺纹规格可特制,如NPT螺纹等。
3.主要用于管路配线、配管、接线、分线以及做为灯具安
装附件用。
4.此盒作为防水防尘防腐外壳,内部未配接线端子,由用
户自由连线。
5.此系统产品正常为钢管连接,电缆进线请注明。
6.可按用户要求做成铸钢或工程塑料。
1.Aluminum die casting, surface spray.
2.Specification of thread can be specially made, such as NPTthread etc.
3.Mainly used in tubing providng-wire, providing-tube, connectingwire, paneling wire positions, lamp implement installingaccessories.
4.The box as a shell has the feature of water-proof, dust-proofand corrosion-proof, terminal is not provided inside the boxand is connected freely by the users.
5.The series product uses steel tube to connect, electrical inlet-wire must be noted.
6.According the user's demand, make steel casting and engineerplastic.
主要技术参数 Main technical parameters
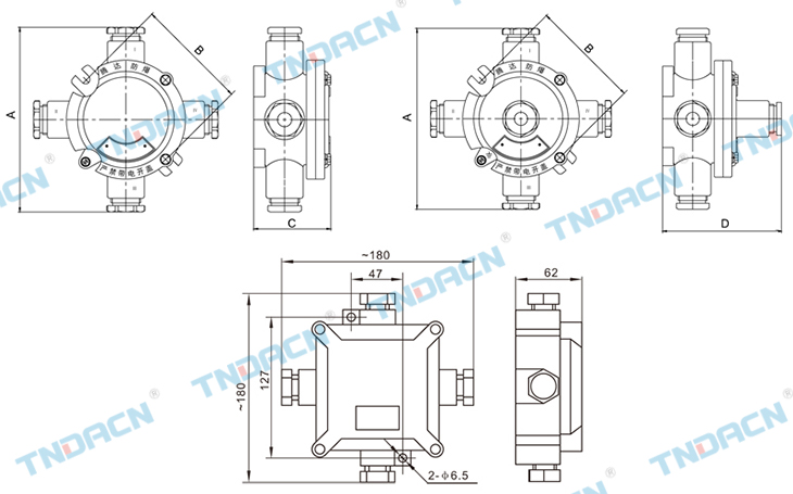
FHD系列防水防尘防腐接线盒代号,外形及名称一览表。
FHD type water-proof dust-proof corrosion-proof junction box code, outline and descriptions as the following table.
注:
1.“ ”表示平台,“ ”表示吊盖
2.在正常情况下,吊盖与通头同口径,如特殊要求可特制。、
3.通头一般为圆柱管螺纹G1/2"、G3/4"、G1"如特殊要求可特制。
标注举例:
1.AH-DIP3/4B含义:AH-DIP粉尘防爆接线盒,管螺纹为G3/4"直二通平盖。
2.AH-DIP1/2J含义:AH-DIP粉尘防爆接线盒,管螺纹为G1/2"直角二通吊盖。
Note:
1." "horzontal cover," " hung cover.
2.Generally the diameter of entry is equal to that of hung cover hole. Special requirement can be available.
3.The entry is often made as pipe thread G1/2", G3/4",G1", also special requirement can be made.For Example:
1.AH-DIP3/4B means: AH-DIP dust explosion-proof junction box, pipe thread G3/4", 2 directentries with horizontal cover.
2.AH-DIP1/2J means: AH-DIP dust explosion-proof junction box, pipe thread G1/2", 2perpendicular entries with hung cover.
主要技术参数 Main technical parameters
外形及安装举例 Outline and mounting example
接线盒外形尺寸 Junction box outline & dimension